+7(906)365-00-55   
    

Термометр электронный радиально-аксиальный TE 40 r-a коллекторный ВТП

Написать отзыв
127104
  • - Отправка в любой населенный пункт России удобной Вам транспортной кампанией (Почта, СДЭК, ПЭК, и т.д.)
  • - Самовывоз со склада в Нижнем Новгороде

Термометр электронный аксиально-радиальный для коллекторный TE 40 r-a

Описание

Цифровой термометр с щупом TE 40 r-a (-50 до +300) предназначен для измерения температуры. Он используется при контроле, тестирование и регулировании систем
Комплектация:
- термометр с металлическим щупом;
- пластиковый защитный колпачок.
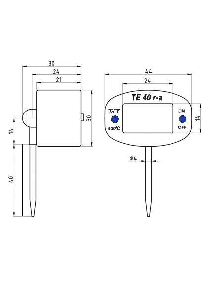
- Цифровой электронный термометр с поворотным дисплеем.

Термометр предназначен для измерения температуры различных жидкостей и окружающих материалов, посредством погружения щупа в контролируемую среду.

Достоинства:
- Высокая точность и скорость определения температуры — за 7-10 секунд термометр точно определит температуру вещества.
- Большой диапазон измерения — от -50°С до +300°С.
- Щуп (4 см) сделан из нержавеющей стали — он очень крепок и долговечен.
- Маленький шаг измерения – составляет всего 0,1°С
- Погрешность (-20 °C ~ 100 °C) ± 1°C
- Поворотная головка термометра позволяет разместить дисплей под нужным углом на 160 градусов.
- Термометр питается от одной миниатюрной (пуговичной) батарейки LR44;
Размеры:
- диаметр щупа – 4 мм;
- длина щупа – 25 мм.
- Размеры экрана: 44*30*30 мм.
Цвет
- белый
Инструкция по применению термометра:
1. Нажмите кнопку ON/OFF (ВКЛ/ВЫКЛ).
2. Подождите до тех пор, пока температура на дисплее не перестанет меняться и показания стабилизируются.
3. Нажмите кнопку ON/OFF для выключения устройства.
4. Повторно включите прибор для просмотра последних значений.
5. Отключите прибор.
6. Если на экране появился индикатор LOW - поменяйте батарейку.

Удобен при балансировке контуров (петель) напольных систем отопления. Оптимальная длина щупа позволяет закрепить щуп термометра за теплоизоляцией труб, перед коллектором возврата теплоносителя. Температура на выходе из контуров тёплого пола отражает количество потребляемого контуром тепла. Для повышения точности измерений на поверхностях, рекомендуется уменьшить влияние температуры воздуха используя теплоизоляцию. Обеспечивает точное измерение температуры трубы путем помещения щупа от термометра в произвольно сделанное отверстие на трубной изоляции теплоизоляции

Электронный термометр ТЕ 40 r-a позволяет определять температуру теплоносителя с высокой точностью, абсолютная погрешность измерения     составляет ±1°С, а относительная погрешность измерения 0,1.
Поворотная головка термометра позволяет разместить дисплей под нужным углом.
Термометр питается от одной миниатюрной (пуговичной) батарейки LR44 и имеет возможность ее замены.
Экономичная работа батарейки (выключается через 8-10 минут) батарейки хватает на 2-3 года.
Имеет высокую частоту обновления температурных данных – 1-2 сек.
Данное устройство имеет конкурентно малые габариты, что дает возможность использовать его в ограниченных компоновочных пространствах.

Конструкция и материалы
В комплект поставки данного устройства входит:
- Цифровой электронный термометр с поворотным дисплеем;
- пластиковый защитный колпачок.
Электронный термометр состоит из измерительного щупа, выполненного из высококачественной нержавеющей стали, и корпуса дисплея, выполненного из термостойкого пластика.


     

Инструкция по балансировке контуров водяного теплого пола с помощью цифровых термометров с щупом TE 40 r-a и настроечных клапанов с расходомерами по температуре на выходе из контура. Балансировка проводится при включенном циркуляционном насосе и открытых регулирующих клапанах на коллекторе подачи; 

  1. открыть регулирующие клапаны на коллекторе подачи; 
  2. снять фиксирующие гильзы с расходомеров настроечных клапанов коллектора подачи; 
  3. открыть клапаны расходомеров, чтобы указатели расхода переместились на одинаковое значение (рекомендуемое «1» - «2»); 
  4. после прогрева системы (обычно 3-6 часов) измерить и зафиксировать температуру трубопроводов перед входом в коллектор возврата; 
  5. через 1-2 часа провести контрольное измерение температуры трубопроводов перед входом в коллектор возврата; 
  6. если при контрольном замере температуры первичного и контрольного замеров совпадают или изменились в пределах 5% значения приступайте к балансировке контуров системы; 
  7. на контурах где температура ниже расход теплоносителя необходимо увеличить, пропорционально разнице температур; 
  8. надеть фиксирующую гильзу на расходомер. 
Характеристики

Бренд
ВТП
Тип товара
Термометр
Габариты
Длина щупа
40 мм
Дополнительная информация
Особенности
Длина щупа 40 мм
Найти похожие
Портфолио

Фотографии реального использования товара

Вопросы о товаре

Вопросы
Возможно, вас это заинтересует
  • Похожие товары
  • Недавно просмотренные
  • Популярные товары